中文
English
服务热线:
137-6066-8267
搜索
首页
产品中心
DLE系列
DLF系列
DLK系列
DSE系列
DZE系列
DZF系列
RPA系列
RPD系列
AGV系列
DZK系列
技术支持
售后服务
电子目录
资料下载
媒体资讯
公司新闻
行业聚焦
展会预告
关于普徕格
公司简介
厂房设备
资质证书
联系我们
产品中心
高精密行星减速机、高精度平台减速机、专用减速机
产品中心
DLE系列
DLF系列
DLK系列
DSE系列
DZE系列
DZF系列
RPA系列
RPD系列
AGV系列
DZK系列
产品详情
您现在的位置:
网站首页
>
产品中心
> 产品详情
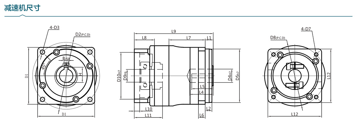
DLK60A
输出法兰边长:62
输出安装孔分度圆:Ф70
输出安装螺孔:Ф5.5
输出轴直径:Ф14(Ф16)
咨询热线
137-6066-8267
在线询价
产品详情
在线询价
产品:
数量:
姓名:
公司:
地址:
电话:
传 真:
邮箱:
验证码: